di nuovo a
>
>
>
>
>
>
>
>
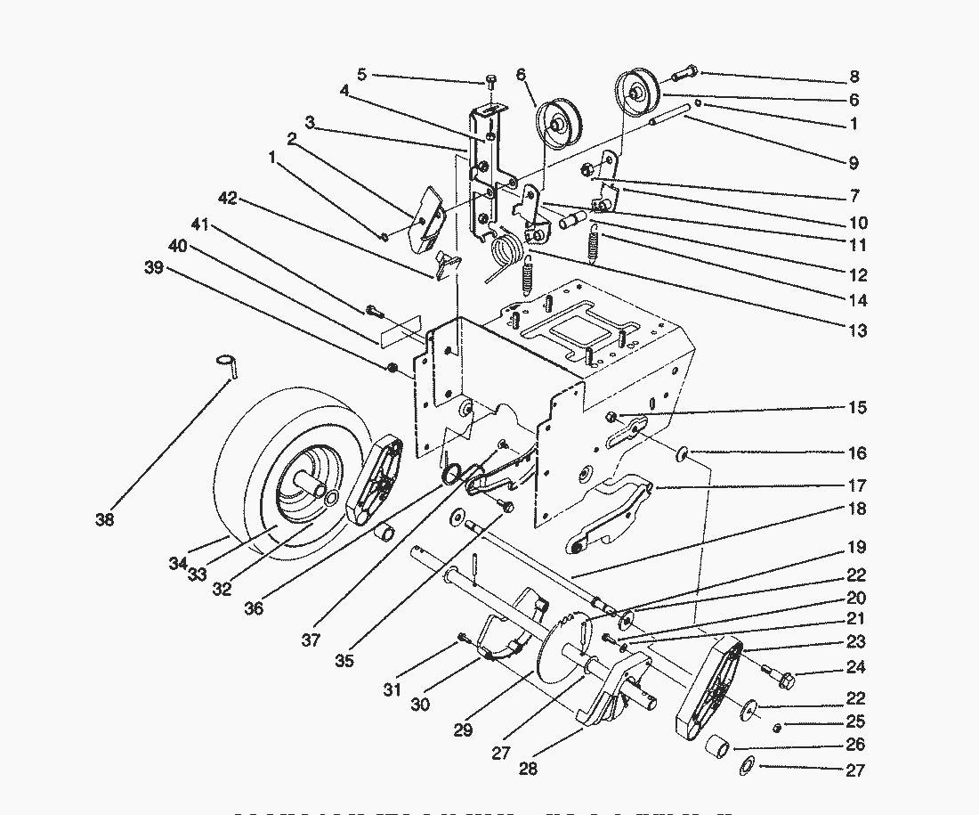
Liste dei pezzi di ricambio per Toro
pos.
descrizione
Número de pieza
pos.
descrizione
Número de pieza
1
32120-46
2
63-2810
3
63-2850
4
3296-42
5
3234-13
6
3-4244
7
3296-59
8
323-7
9
62-0970
10
62-1260
11
62-1280
12
62-1210
13
63-2880
14
63-2870
15
3296-39
16
3290-461
17
62-0470
18
66-7720
19
32121-9
20
32144-4
21
3256-1
22
63-3340
23
66-7740
24
62-1330
25
3296-23
26
63-2250
27
252-80
28
62-1010
29
63-2111
30
62-1000
31
32104-121
32
241-128
33
232-46
34
231-120
35
5-2490
36
63-2740
37
3290-476
38
3290-243
39
3296-47
40
66-6860
63-3470
41
3234-7
42
66-8060
56-2700
74-1190
Toro
Condizioni generali di contratto
(C) by motoruf