di nuovo a
Solo
>
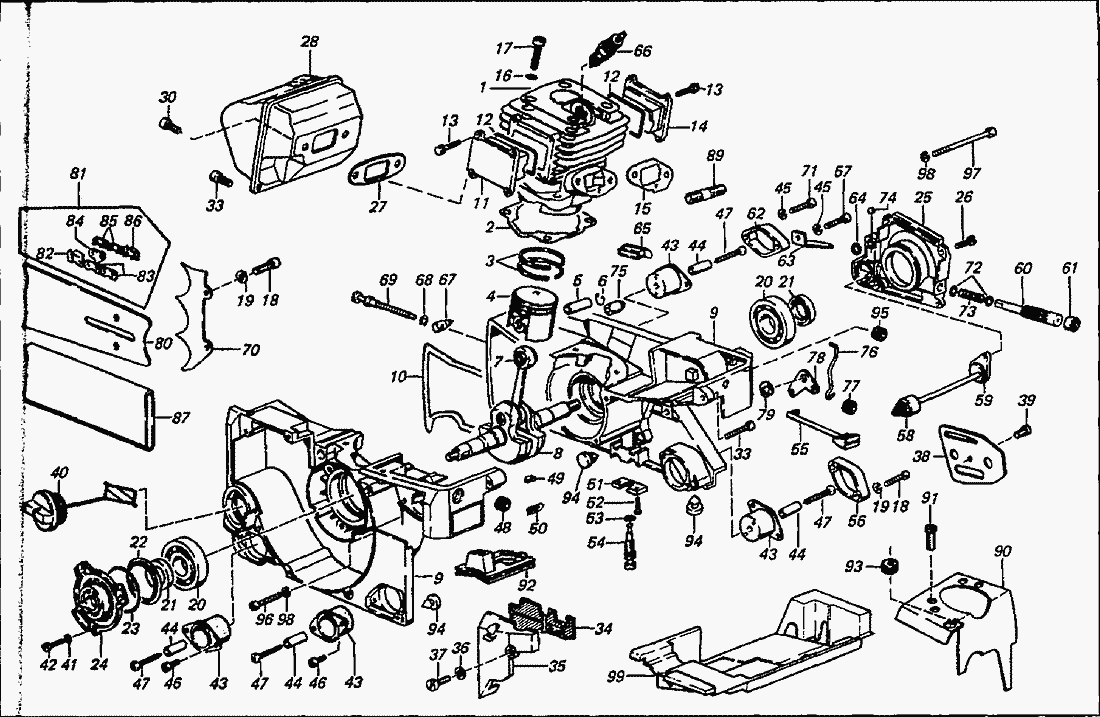
Chain Saws
>
Professional Chain Saws
>
662
>
SP 11/1991 Print 9 662 708
>
Engine
Liste dei pezzi di ricambio per Solo Chain Saws Engine
pos.
descrizione
NĂºmero de pieza
1
2200991
1
2200985
1
2200884
2
2061429
3
2048324
3
2048325
3
2048326
4
2200984
4
2200941
5
2031233
6
0055266
7
0052148
8
2200952
9
2100470
10
2061428
11
2012801
12
0062245
13
0018209
14
2012802
15
2061430
16
circlip
0034202
17
0010145
18
0011279
19
0034147
20
0050104
21
0054247
22
6074363
23
0062253
24
6074389
25
6400211
6400210
26
0011279
27
2061431
28
2500611
30
0018281
33
0010260
34
2500541
35
2074377
36
0030160
37
0011258
38
6042724
39
0010478
40
2700287
0061324
41
Washer
0072140
42
0011279
43
6300169
44
6031277
45
0034147
46
0010534
47
0011267
48
0066188
49
0075101
50
0069553
51
2200871
52
0018231
53
O-ring
0062110
54
6400179
55
6074253
56
6074391
57
0010541
58
6700124
59
6063233
60
6031189
61
6074452
62
6074393
63
6043285
64
0062237
65
6074281
66
2300389
67
6032638
68
Washer
0055171
69
0018261
70
6042768
71
0010534
72
0031515
73
0070257
74
0052217
75
2700339
76
2036373
77
0066440
78
6074396
79
0055103
80
6900368
80
6900498
80
6900370
81
6900369
81
6900499
81
6900371
82
0540226
83
0540184
84
0540228
85
0540185
86
0540227
0540188
87
6071248
89
0018256
90
2043342
91
0018212
92
6063293
93
0066197
94
0094167
95
plug
6074401
96
0010134
97
0010559
98
0034147
99
6074502
Solo
Pesticide Applicators
Chain Saws
Professional Chain Saws
603
694
690
680
670
667
662
SP 06/1999 Print 9 662 712
SP 06/1998 Print 9 662 711
SP 05/1997 Print 9 662 710
SP 11/1993 Print 9 662 709
SP 11/1991 Print 9 662 708
Clutch/starter
Carburetor
Chain brake
Electronic/Handle heating
Handle Bar
Engine
SP 11/1989 Print 9 662 707
651
644
Semi-Professional Chain Saws
Hobby Chain Saws
Electric Chain Saws
Motorised Trimmers
Rotor Tillers
Sickle Bar Mowers
Soil Aerator
Lawn Mower
Air Blowers
Multimot
Condizioni generali di contratto
(C) by motoruf